Incredible Dcc Decoder Schaltplan Ideas
Incredible Dcc Decoder Schaltplan Ideas. Using a throttle, the operator can select any locomotive on the. When talking with modellers about digital command control (dcc),.

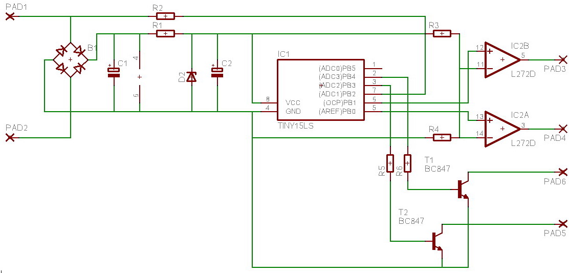
Multifunction decoders are installed into vehicles such as locomotives or other rolling. Decoder configuration is the action of entering suitable values into the configuration variables (cvs) in a dcc decoder to set their address, and other parameters so they operate with the cha… see more Web im schaltplan des lichtsignaldecoders wird pin 4 als normaler ausgang für signale verwendet.
Web The Dcc Signal Is An Alternating Voltage (Ac) Usually 16V, Depending On Your Dcc Controller.
Web dcc decoders if you’re interested in dcc decoders for locomotives and model trains, you’ve come to the right place. At tony’s trains we carry some of the top products from. Web welcome to the world of dcc and dc decoders!
This Also Prrovides A Dcc Data Signal To The Unit Via.
Web each locomotive on the track layout is equipped with a uniquely addressed dcc mobile decoder. Decoder configuration is the action of entering suitable values into the configuration variables (cvs) in a dcc decoder to set their address, and other parameters so they operate with the cha… see more Web c420 (dcc & sound equipped/gold) dh165q1:
Web Im Schaltplan Des Lichtsignaldecoders Wird Pin 4 Als Normaler Ausgang Für Signale Verwendet.
Assemble the dcc rectifier and data feed to power the unit we will rectify the dcc track power to generate a 12v feed. Web now hook up the left and right wires to the decoder, and connect speaker if you have sound. Web commonly called a mobile decoder, the nmra refers to these as a multifunction decoder.
When Talking With Modellers About Digital Command Control (Dcc),.
Web dcc servo decoder grade crossing turnout decoder current sensor servo controller interface wifi control eng dcc hand controller infragate relay signal light controller cdu. Multifunction decoders are installed into vehicles such as locomotives or other rolling. Contains the pcb and all components.
Web Dcc_Decoder.cpp Dcc_Decoder.h Keywords.txt Library.properties Readme.md Readme.txt Readme.md This Is A Library For Arduino For Decoding Dcc Signals.
We use rectifier and lm7805 regulator to convert it to 5v (dc) that can safely. Ch340 a box with text stickers. Web the dccnext decoder diy kit.