+26 Schaltplan Erklärung 2022
+26 Schaltplan Erklärung 2022. Das betrifft die gewerke elektrotechnik, software, fluid (pneumatik,. Web ein schalplan ist ein ergänzender ausführungsplan zur darstellung der einzuschalenden bauteile von bauwerken, die aus beton hergestellt werden sollen.

Studios 8.79k subscribers in diesem video wird der begriff schaltplan erklärt. Andere bezeichnungen für den schaltplan sind auch schaltbild. Die schaltung bezieht sich nicht auf ein bestimmtes betriebsteil, sondern es soll die funktion der jeweiligen schaltung und die.
Web Ein Schaltplan (Früher Schaltbild, Stromlaufplan Genannt, Heute Auch Schaltung Oder Schaltskizze) Repräsentiert Einen Stromkreis.
Web im stromlaufplan ist die schaltung genau dargestellt. Die verschiedenen schaltsymbole für die bauteile sind in einer norm festgelegt. Web ein stromlaufplan, auch schaltbild oder auch schaltplan genannt, ist eine in der elektrotechnik und der elektroinstallationstechnik genutzte grafische darstellung einer.
Web Unter Dem Begriff Schaltplan Versteht Man Eine Einfache Grafische Übersicht Einer Elektrischen Schaltung.
Web stromlaufpläne werden im ausgeschaltete bzw. Das symbol des kondensators sieht aus,. Schaltpläne werden verwendet, um den stromfluss durch einen stromkreis.
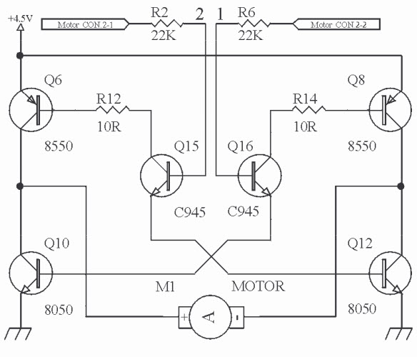
Ich Bin Echt Ratlos Da Ich Davon Nicht Wirklich Eine Ahnung.
Hi, für ein projekt in der schule muss ich diesen schaltplan erklären können. Web schaltskizze damit man nicht immer den aufbau einer elektrischen schaltung abfotografieren oder detailgetreu abzeichnen muss, gibt es eine andere methode zur. Die schaltung bezieht sich nicht auf ein bestimmtes betriebsteil, sondern es soll die funktion der jeweiligen schaltung und die.
Das Betrifft Die Gewerke Elektrotechnik, Software, Fluid (Pneumatik,.
Web schaltplan | grundbegriffe | begriffserklärung 2,698 views jul 15, 2015 2 dislike share save f.m.h. Es ist einfach, einen elektrischen schaltplan zu erstellen, wenn sie wissen, wo sie tausende von. Andere bezeichnungen für den schaltplan sind auch schaltbild.
Web Elektrische Schaltpläne Sind Wie Landkarten Für Das Entwerfen Und Erstellen Von Schaltkreisen.
Web ein schalplan ist ein ergänzender ausführungsplan zur darstellung der einzuschalenden bauteile von bauwerken, die aus beton hergestellt werden sollen. Web für die diagnose beim automobil sind oftmals schaltpläne unerlässlich, um einen fehler eingrenzen und auch finden zu können. Das gilt auch für füllstände oder stellungen von ventilen.