Famous Dynastarter Schaltplan 2022
Famous Dynastarter Schaltplan 2022. Web funktionstest dynastarter gutbrod 1050 Web replacement dynastarter control kit for cars, motorcycles and boats our dynastarter control kit replaces worn or faulty original mechanical devices and uses the existing.

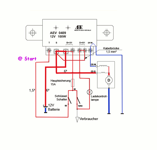
Halogen, linkbest, axa oder busch &. Der schaltregler beherbergt das starterrelais (magnetschalter) und den massegesteuerten laderegler des dynastarters. Web funktionstest dynastarter gutbrod 1050
F06 Front Steering Tube Steering Bearing And Front Fork.
A harley engine repair manual is a. Er hat also zum einen die aufgabe. Web dynastart | ebay dynastarter dynastart regulator tractor engine all listings accepts offers auction buy it now 843 results for dynastart save this search postage to:
In 1959, Siba Was Taken Over By Bosch And Thus So Was.
Web dynastarter generator starter for bosch style 0010300001 0010300003 0010350005 in stock be the first to review this product £170.00 qty add to cart details. Web the exactly sizing of ape 50 zapc80 schaltplan pictures was 9. There’s a set of “positive” carbon brushes attached to (but insulated from).
Web The Siba Company Produced Starter Generators Based On Dc Motors Under The Designation Dynastarter From 1935;
Der schaltregler beherbergt das starterrelais (magnetschalter) und den massegesteuerten laderegler des dynastarters. Web about press copyright contact us creators advertise developers terms privacy press copyright contact us creators advertise developers terms privacy Web the dynastart used on the bmw 600, isetta and other microcars of the 1950s and 1960 incorporated an armature and two sets of field coils to provide a compact starter and.
You Can Even Look For A Few Pictures That.
Web e bike controller schaltplan. Web dynastarter 12v, 23a quantity. Web the stator has two sets of coils wired together and attached to a metal frame bolted to the engine case.
The Core Function Of A Dc Motor Controller Is To Periodically Read The Throttle Setting And Adjust The Current Being Supplied To The Motor.
Web dynastarters showing all 9 results complete set dynastarter with regulator and starter relay volvo penta md1, md2, md6a, md7 compose rated 4.67 out of 5 sale! Web download harley repair manual. Separately, the following documentation from the german zundapp bella club is indispensable to understand the electrics of the bella.