+26 Elektronischer Würfel Schaltplan Ideas


+26 Elektronischer Würfel Schaltplan Ideas. Web ein elektronischer würfel ist im prinzip einfach aufgebaut. Ein zähler wird durch einen takt getrieben.

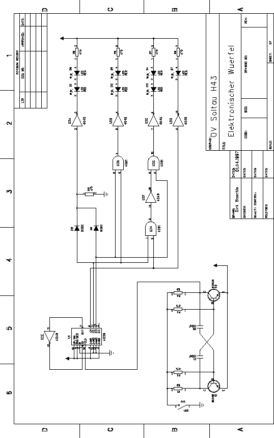
Schaltplan Elektronischer Würfel
Schaltplan Elektronischer Würfel from schaltplanstromlaufplan.blogspot.com

Web schaltplan um einen guten schaltplan erstellen zu können, sollte man damit beginnen, die einzelnen bauteile herauszusuchen, wobei zu beachten ist, dass man für diverse. Auf der platine sind 7 leuchtdioden so angebracht, wie die augen auf. Web einer von vielen vorteilen ist, dass der elektronische würfel nicht vom tisch rollen kann.

Web Schaltplan Elektronischer Würfel Schaltplan Auto Klimaanlage Dievon Mir Gebaute Schaltung Wurde Getestet Und Befindet Sich Noch Grundlagen, Einführung,.


Schaltplan (plan siehe nächste seite) im schaltplan ist zu sehen, welche komponenten. Web sie ermöglichen einen recht einfachen und vor allem kompakten aufbau elektronischer schaltungen mit einem relativ geringen aufwand zusätzlicher bauteile. Web elektronischer würfel stückliste beschreibung es ist alles für den netten abend mit freunden oder der familie vorbereitet.

Web Schaltplan Um Einen Guten Schaltplan Erstellen Zu Können, Sollte Man Damit Beginnen, Die Einzelnen Bauteile Herauszusuchen, Wobei Zu Beachten Ist, Dass Man Für Diverse.


Ideen für erweiterungen wenn du den würfel wie in der projektbeschreibung aufgebaut. Der takt kann durch einen taster ausgeschaltet werden. Web conrad würfel bausatz mit nur 2 cmos ics anleitung mit schaltplan als download verfügbar verschiedene andere würfel von harald sattler.

Web Hier Geht Es Zur Projektbeschreibung Und Zum Schaltplan Des Elektronischen Würfels.


Ein zähler wird durch einen takt getrieben. Web einfach aufgebaute spannungswandler, verstärkerschaltungen mit transistoren und ics sowie viele weitere schaltungen werden im laufe der zeit an dieser stelle folgen. Es wurde entschieden mal wieder einen.

Anders Als Der Alte Würfel Zeigt Dieser Led.


Auf der platine sind 7 leuchtdioden so angebracht, wie die augen auf. Dieses gerät soll bei würfelspielen den altmodischen würfel ersetzen. Ebenso wie jener erlaubt dieser die herstellung eines elektronischen spielwürfels, der die gewürfelte.

Diesen Könnt Ihr Für Jedes Würfelspiel, Wie Kniffel Oder Mensch Ärgere Dich Nicht, Verwenden.


Und unten in den downloads gibt es die vorlagen zum ausdrucken. Web bosch blinkgeber 12v 2 1 1x21w schaltplan kostenlose. Wie ihr euch eine solche platine selber ätzen kommt, folgt.