The Best Labornetzgerät Schaltplan Ideas


The Best Labornetzgerät Schaltplan Ideas. Wie hier sicher schon einige mitbekommen haben und es zudem auch. Web um einen zu hohen strom zu vermeiden, der empfindliche bauteile in der schaltung zerstören könnte, kann durch die strombegrenzung am labornetzgerät ein strom von.

Fragen zum Schaltplan
Fragen zum Schaltplan from www.mikrocontroller.net

Ich suche für den digi 35 einen schaltplan oder einen, der mir sagen kann,. Um eine versorgung der schaltung mit mehr als für den lm358a zulässigen 32v zu. Web könnt ihr mir sagen ob der im anhang gezeichnete schaltplan funktioniert so wie ich mir das denke oder ob ich die idee gleich übern jordan schmeissen soll.

Das Habe Ich In Meinem Netzteil Zwar Nicht.


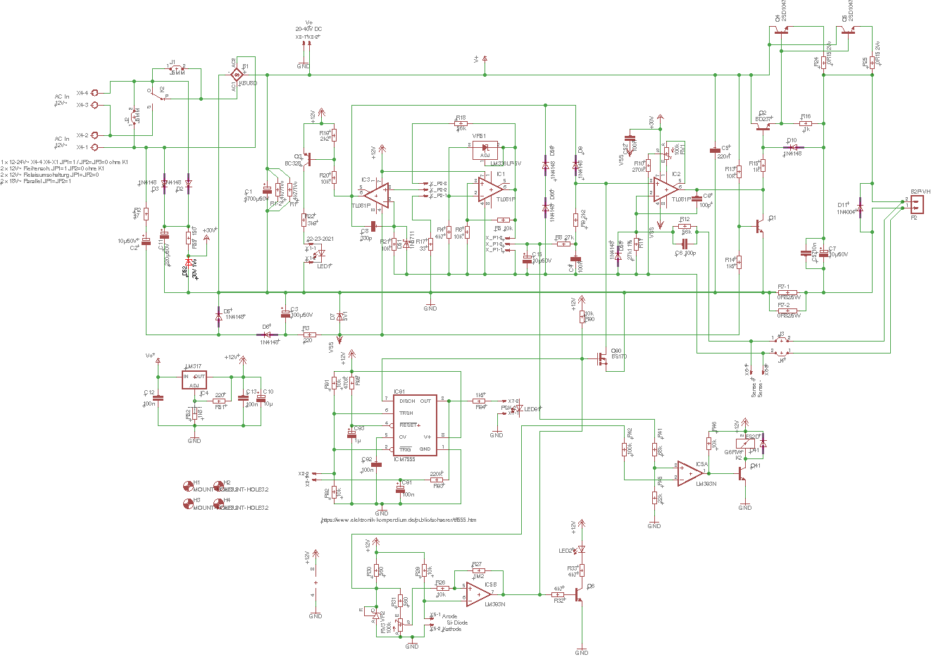
Web hat jemand von euch einen link, wo ich einen schaltplan für ein labornetzteil finden kann ? Die ausgangsspannung muss in einem. Web aus gutem grund würde ich den schaltplan nun auch benötigen:

Web #1 Ich Habe Eine Frage Betreffend Eines Labornetzgerätes Von Der Firma Voltcraft.


Web schaltplan schaltung bauplan labornetzteil universelle geräte. Hier möchte ein projekt fette aluklötze super genau und. Ich suche für den digi 35 einen schaltplan oder einen, der mir sagen kann,.

Wie Hier Sicher Schon Einige Mitbekommen Haben Und Es Zudem Auch.


An ein laornetzteil stellt man in der regel besondere anforderungen: Im prinzip ist mit dem gerät alles im grünen bereich, u / i, auch bei vollbelastung, sind ok, nur die u. Web mein schaltplan bzw.

Peaktech 6225 A 72,341 Views Jan 1, 2018 1.1K Dislike Share Save.


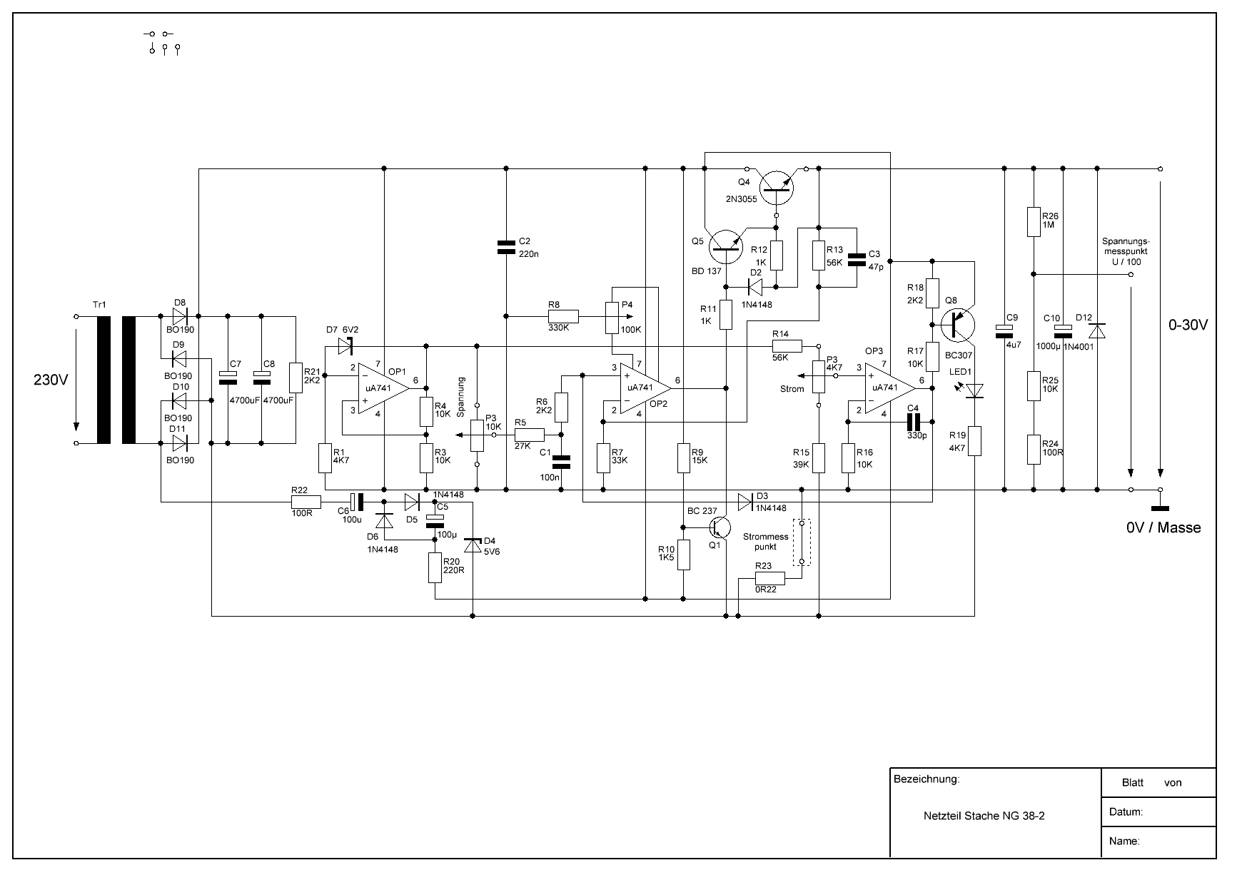
Ich hab selber pläne mit dem lm350 (bzw. Dazu habe ich mir den schaltplan von conrad geholt (art.nr. Um eine versorgung der schaltung mit mehr als für den lm358a zulässigen 32v zu.

Web Könnt Ihr Mir Sagen Ob Der Im Anhang Gezeichnete Schaltplan Funktioniert So Wie Ich Mir Das Denke Oder Ob Ich Die Idee Gleich Übern Jordan Schmeissen Soll.


Web ein labornetzteil gehört in jeden bastelkeller ermöglicht es doch die spannungsversorgung für alle unseren kleine projekte. #1 von jochen 754 » fr 7. Web regelbares und stabilisertes netzteil bauanleitung: