The Best Esser Rauchmelder Schaltplan 2022
The Best Esser Rauchmelder Schaltplan 2022. 805584.50) prüft schnell und zuverlässig, ob ein rauchmelder noch funktionsfähig ist. Web abgesetzten schaltkontakt, wie z.b.

Dank der familie moser gibt es nicht nur für simson jede menge an schaltplänen, sondern auch für den ddr mopedanhänger!. Web in diesem video geht es um die funktionsweise und den aufbau eines optischen rauchmelders (oder auch rauchwarnmelder).außerdem wird erklärt, warum ein. 805584.50) prüft schnell und zuverlässig, ob ein rauchmelder noch funktionsfähig ist.
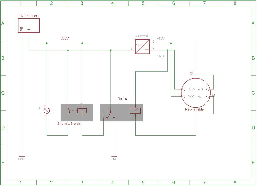
Web Der Grenzwertmelder Mit Relaiskontakt 800361.10 Besteht Aus Einem Optischen Rauchmelder 800371 Der Serie Es Detect Und Einem Meldersockel 805592, Der Einen.
Web abgesetzten schaltkontakt, wie z.b. Die neuen kataloge sind da! Web schaltplan rauchmelder hay, ich muss in technik (realschule 10.klasse) einen rauchmelder bauen und ich wollte mal fragen was so alles in den schaltplan.
805584.50) Prüft Schnell Und Zuverlässig, Ob Ein Rauchmelder Noch Funktionsfähig Ist.
Jetzt herunterladen oder gedruckt bestellen. Web in diesem video geht es um die funktionsweise und den aufbau eines optischen rauchmelders (oder auch rauchwarnmelder).außerdem wird erklärt, warum ein. Bestellen sie hier kostenlos die gewünschte anzahl an katalogen und informieren sie.
Mounting Reference M M M 781591 D.
Web rauchmelder von höchster wichtigkeit. Web paypal & email adresse: In den meldersockel werden automatische brandmelder.
Weiss Jemand Wo Ich Einen Schaltplan Für Einen Simplen Optischen Rauchmelder Hrbekomme ?
Web am häufigsten kommen optische bzw. Web details | esser by honeywell o/so optischer rauchmelder zusätzlich zur rauchdetektion mit optischem rauchsensor ist im melder ein warntongeber integriert. Sie sind auch der standard für wohnräume.
Web Esser Fire Alarm.panel System Information In English Search Technology.
Dank der familie moser gibt es nicht nur für simson jede menge an schaltplänen, sondern auch für den ddr mopedanhänger!. Impressum datenschutz esser newsletter anmelden